Ford 4.6 Intake Manifold Guide – Problems, Recalls, and Upgrades
While the Ford 4.6 is a great engine in many aspects, it was betrayed by its design and suffers from a few common problems. One of the most significant areas where the 4.6 fell short was its intake manifold design. Early models used a plastic intake manifold that would crack due to the combination of heat cycling and added stress from the strain of supporting the alternator. This led to coolant leaks and overheating issues that could do permanent damage to the engine.ย
In this guide, weโll discuss the multiple challenges associated with the Ford 4.6 V8โs intake manifold. Some of the topics weโll cover include 4.6 intake manifold failure symptoms and solutions, recall details, repair costs, and potential intake manifold upgrades.
Ford 4.6 Intake Manifold Failure
Chances are, if you are reading this article, you either know or suspect that your Ford 4.6โs intake manifold is cracked or leaking. Unfortunately, that is an extremely common issue, especially on high-mileage Ford 4.6 V8s. The main cause of this issue is the material that Ford chose for the manifold. Previous Ford small block V8s used either a cast iron or aluminum intake manifold, providing plenty of structural rigidity. For the Modular engine series, Ford switched to a plastic intake manifold design.
The primary issue with using plastic as a material for an intake manifold is heat. That isnโt the case anymore with more advanced polymers on the market, but Ford was working with 1980s material science. As a component that gets subjected to high heat levels and constant heat cycling, the frequent heating and cooling of the intake manifold caused it to expand and shrink. This led to structural problems after a while, where hairline cracks would develop in the plastic. In addition to the manifold cracking, the heater hose connections on both the front and rear of the manifold are known to fall out over time.
Early Ford 4.6 intake manifolds (1996-2001) tend to fail in a few common places. Both the front and rear runner surfaces are known to develop cracks frequently. This is further compounded by the fact that Ford chose to mount alternator support brackets directly into the plastic manifold. The weight of the alternator, combined with the added downward pressure from the belts and the rapid heating and cooling of the plastic can cause the front part of the manifold to fail structurally.
Early vs Late Model Issues

In 2002, Ford realized that the plastic 4.6 2V intake manifold wasnโt holding up too well to the engineโs heat cycling. As a result, they redesigned the intake manifold to feature some additional rigidity. Fordโs solution was to add a cast aluminum coolant crossover to the front of the intake manifold. The idea here was to reduce the strain caused to the plastic manifold by the alternator. As a result, the 4.6 alternator bolts up to this aluminum cross member instead of the plastic manifold itself. This solved most of the issues with the old design.
While the front of the redesigned intake manifolds faired far better than the previous ones, they still werenโt impervious to cracking. Additionally, the new design introduced some new issues into the mix. The redesigned 4.6 intake manifolds are known to leak frequently and profusely, especially at high mileage.ย
It is often hard to tell if these redesigned manifolds are leaking, as they leak at the seam between the aluminum thermostat housing and the plastic manifold. Most of the coolant collects in the area under the intake manifold, making it hard to detect visually. Making the problem even more of a headache, Ford does not carry intake manifold gaskets independently. That means that if there is a leak, youโll have to replace the intake manifold itself.
Affected Vehicles
As outlined in the 2002 technical service bulletin, here are the vehicles affected by intake manifold issues:
- 1996-1997 Ford Thunderbird
- 1996-2001 Ford Crown Victoria
- 1999-2001 Ford Mustang
- 2002 Ford Explorer
- 1996-2001 Lincoln Town Car
- 1996-1997 Mercury Cougar
- 1996-2001 Mercury Grand Marquis
4.6 Ford Intake Manifold Recall
Ford 4.6 Owner Notification Program Letter
With this issue being so prevalent among 4.6 Ford V8 engines, youโd have expected Ford to be all over the problem. While there is some truth to that, Ford did more burying than anything with the 4.6 intake manifold issue.
In May of 2001, Ford issued an Owner Notification Program letter outlining the 4.6 Ford intake manifold problems. However, it only outlines the issue specifically for Crown Victoria taxis, police cruisers, limousines, and livery cars. It informed owners of these vehicles that they could have the defective manifold replaced for up to 7 years following the start of their warranty start date.
In January 2002, Ford released an official technical service bulletin about the issue that extended to all models with the 4.6 2V engine. Like the previous letter, the TSB outlined the issues with the plastic coolant crossover. While the TSB made it clear that there was an obvious design issue with the initial part, it left it up to the discretion of the dealer in terms of whether they would fix it free of cost or not.
Other than those two pieces of documentation, there was never an official recall opened for the faulty 4.6 intake manifold. That is obviously disappointing for anyone who owns a 4.6 V8-powered Ford, Lincoln, or Mercury. The lack of a recall means that in a lot of cases, the owners of these vehicles had to pay out of pocket for an issue outside of their control. Ford was eventually sued for their neglectful handling of the situation in a 2005 class action lawsuit. They quietly paid out reparations and did nothing else to solve the situation.
How Do You Know If Your Ford 4.6 Intake Manifold Is Bad?
The unfortunate thing about Ford 4.6 intake manifold failure is that the failure typically happens without any warning and can cause your car to overheat rapidly due to coolant loss. There arenโt usually any warning signs that your 4.6 intake manifold is about to fail, unless you remove it and inspect it closely for hairline cracks.
Coolant loss and engine overheating are the most common symptoms of a bad 4.6 intake manifold. Depending on if you have an early or late model intake manifold, coolant loss can either be very apparent or much more subtle. Early composite 4.6 intake manifolds typically spew coolant from an obvious crack in the front or rear. That makes it very easy to diagnose. Later PI manifolds are a bit more difficult to diagnose due to the fact that coolant leaks in a non-visible spot underneath the manifold.ย
In both instances, it is crucial to keep an eye on your coolant level and temp gauge. If you notice that your vehicle is low on coolant, displays a dash light, or is overheating, it is critical to stop your engine as soon as possible. Overheating your 4.6 V8 is potentially engine-killing. It is important to have your engine diagnosed and repaired as soon as possible.
- Coolant visibly leaking from the front or rear of the intake manifold
- Low coolant level
- Engine overheating
- CEL or temperature warning light
Ford 4.6 Intake Manifold Replacement Cost and Fixes
At this point, the Ford 4.6 V8 is over thirty years old. That means that the extended warranty period for every model has long since expired. Since Ford has done little in the way of resolving the intake manifold issues that plague both early and late model 4.6 2V cars, youโll have to either bite the bullet and have the repair performed at a Ford repair center or perform the repair on your own.
In terms of the repair cost of a 4.6 intake manifold replacement, youโll have to consider the cost of parts and labor if you plan on taking it to a repair facility. Depending on if you opt for an updated 4.6 PI intake manifold or a Doorman 4.6 intake manifold (which weโll cover in a minute), parts can range from $230 to $350. The job will usually be billed at around 4 hours which will usually amount to around $600-$800. That brings the repair shop total to between $850-$1,150.
Alternatively, it is possible to do the job yourself if you have some technical knowledge under your belt. Unfortunately, removing the intake manifold from a Ford 4.6 V8 is somewhat difficult. It requires you to remove quite a few vital components. These include the serpentine belt, alternator, throttle body, fuel lines, and injectors. With that being said, if you are technically inclined, you can save quite a bit on the repair if DIYโd. If you are interested in tackling this project, take a look at the following video that outlines the process.
4.6 PI Intake vs 4.6 Dorman Intake
There are two main intake replacement options for the Ford 4.6 V8. Those include an OEM Ford PI (Performance Improved) intake manifold and an aftermarket Dorman intake manifold 4.6. Both of these intake manifolds will work on any Ford/Lincoln/Mercury model with the 4.6 2V engine. However, there are some notable benefits and shortcomings to both.

The Ford 4.6 PI intake (part number M-9424-P46) is a factory part that includes the improved aluminum crossover. The 4.6 PI intake was technically designed for 1999-2004 2-valve engines with the redesigned โpower improvedโ cylinder heads. However, the upgraded PI intake manifold is a direct fit onto earlier non-PI 4.6 2V V8s. This is great news, as not only does the 4.6 PI intake manifold resolve the structural problems of the earlier manifold, but it also provides a healthy 10-15 horsepower increase over the stock unit. The only downside is that the Ford 4.6 PI intake manifold is expensive. Coming in at $390 it is the pricier option of the two.ย
Other than the Ford 4.6 PI intake, the only other real option is Dormanโs intake. As the only other real option for most people looking to replace a cracked or leaking 4.6 intake manifold, the Dorman manifold is extremely popular in the Ford 4.6 community. Most of that boils down to price. In comparison to the Ford PI intake, the Dorman intake is a steal at $226.00. It is also a direct fit on any Ford/Lincoln/Mercury model with a 4.6 V8. Reviews are varied for the Dorman intake due to the fact that its shorter runners stifle top-end power.
Summary
The Ford 4.6 V8 engine’s intake manifold design has been a significant issue for many owners. The early models of the 4.6 V8 used a plastic intake manifold that was prone to cracking and developing coolant leaks. This could lead to overheating problems and potential engine damage. Even the later redesigned intake manifolds, which featured an aluminum coolant crossover, were not immune to cracking and frequent leaks.
Unfortunately, Ford did not issue an official recall for the faulty intake manifold. This left many owners to bear the cost of repairs themselves. Fordโs handling of the situation left a bad taste in many peopleโs mouths and Ford was forced to pay out in a class action lawsuit as a result.
It can be easy or difficult to identify a Ford 4.6 V8 intake manifold depending on which manifold you have. What can make it tricky is the fact that the failure often occurs without warning. Coolant loss and engine overheating are common symptoms, with early models showing obvious coolant leaks while later models suffer from leaks that are harder to detect. It is crucial to monitor coolant levels and temperature gauges closely to prevent engine damage.
When it comes to replacing the intake manifold, owners have two options: the OEM Ford PI intake manifold or the aftermarket Dorman intake manifold. The Ford PI intake manifold offers improved structural integrity and a horsepower increase but comes at a higher price. On the other hand, the Dorman intake manifold is a more affordable option but may slightly compromise top-end power due to its shorter runners.
FAQ
What are the most common 4.6 intake manifold issues?
The main issues with the Ford 4.6 intake manifold stem from the material that they’re built from. Over time, the plastic coolant crossover will develop structural cracks, causing major coolant leaks. That is a result of constant heat cycling in addition to the strain of supporting the weight of the alternator. This problem was addressed by Ford in 2002. They added an aluminum crossover to the front of the 4.6 intake manifold, increasing the rigidity of the part.
While the updated 4.6 intake manifold helped with the cracking problem on the early models, it had problems of its own. The later 2002+ intake manifold is also known to leak into the valley below the manifold itself.
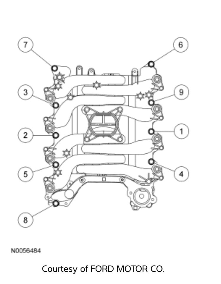
What are the 4.6 intake manifold torque specs?
All nine bolts attaching the intake manifold to the cylinder head should be specced to 18ft/lb or 25 nm. It is also important that you follow the correct torque sequence for the bolts. The torque sequence can be seen in the picture below. 
How long does it take to replace a 4.6 intake manifold?
This question depends entirely if you are planning on doing the repair yourself or taking it to a shop. If you do decide to replace your 4.6 intake manifold independently, the timeline depends on your experience. If you have a fair bit of technical experience, the job should take between 3-4 hours. However, if it is your first time working on your vehicle it could take twice as long.
Certified Ford mechanics generally charge around 3 hours of labor to complete the job. It usually doesn’t actually take them that long to perform the repair, though.


I have a non-Pi romeo engine with 80K. Your article said the upgraded PI intake manifold is a direct fit onto earlier non-PI 4.6 2V V8s but I believe you do have to add sealer by the coolant passage before placing the gasket down. Does anyone have a mechanical illustration exactly where and how much sealer is placed on the non-pi cylinder head. Also heard but can’t confirm; there is a special gasket available and Dorman makes a spider manifold with long intakes for the 4.6. I bought the ford racing intake and cross over coolant tube ( goes below intake ) a few years back . I delayed the project because I bought one new nos PI cylinder head and can’t find another one so I will do it without changing the heads. I plan on using the aluminum crossover from my existing intake so it will have attachment points for the alternator and hose in the same location for a 1997 Thunderbird. Thanking anyone in advance for help.
Mike